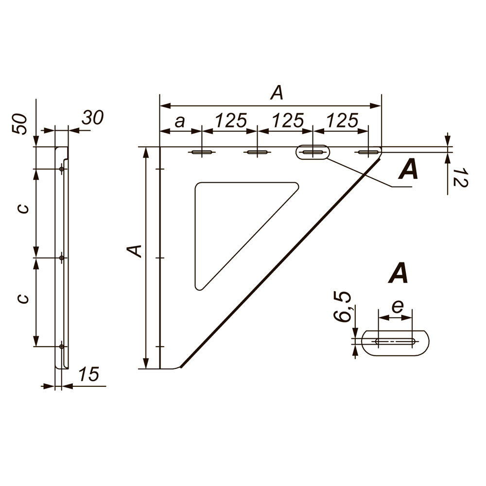
Кронштейн опоры V50R OKvXX 500х500 с изоляцией Вулкан (AISI 321 0.5мм + AISI 304 0.5мм) (д.100)

рейтинг: 0 из 5 Оставить отзыв 0 отзывов Оставить отзыв

Код товара: 311135 Производитель: Вулкан

Диаметр внутренней трубы, мм

100
  • 100
  • 104
  • 110
  • 115
  • 120
  • 130
  • 150
  • 160
  • 180
  • 200
Стоимость товара:
4 712 р
4 382 р
Ваша выгода 7% или 330 рублей

быстрая доставка.svg Скидка действительна только при отгрузке со склада в Москве

печь с огнем.svg Рассчитайте дымоход онлайн



    Описание
    Назначение элемента
    Крепежные элементы для фиксации дымовых труб и вентиляционных стояков в горизонтальной плоскости.
    Область применения двухконтурных дымоходов

    • Эффективное отведение продуктов сгорания от котлов, печей, каминов, дизель-генераторов;
    • Подходит для твёрдого, жидкого и газообразного топлива;
    • Используется для бытового и промышленного назначения;
    • Рабочие параметры дымовых газов: температура до 750°С, давление до 200 Па;
    • Основной контур устойчив к агрессивной кислотной среде.
    Удобство монтажа и установки

    • Подходит для установки внутри и снаружи строения;
    • Закрепляется к стене или специальным мачтам;
    • Удобно для монтажа в соответствии с индивидуальными параметрами объекта.
    Конструктивные особенности

    • Внутренний контур из нержавеющей стали AISI 321 (AISI 316, AISI 310 по запросу) толщиной 0,5-1,0 мм;
    • Наружный контур из нержавеющей стали AISI 304 или гальванизированной стали толщиной 0,5-0,8 мм;
    • Теплоизоляция из огнестойкой базальтовой ваты Rockwool или Paroc толщиной 50/100 мм;
    • Система внутренней термокомпенсации для исключения деформации при температурном расширении;
    • Высокая герметическая точность всех частей системы;
    • Повышенная прочность при минимальном весе;
    • Возможность использования силиконовых колец для герметизации;
    • Уникальный стыковочный профиль раструбно-профильных соединений.
    Производятся на импортном оборудовании
    Дымоходы Вулкан изготавливаются на современном европейском оборудовании, разработанном ведущими марками Австрии, Германии, Италии, Швейцарии.
    Лазерный раскрой стальных листов на швейцарском оборудовании – гарантия прецизионной точности изготовления комплектующих.
    Сварка выполняется лазером на немецком оборудовании. Лазерный шов практически незаметен. Позволяет добиться абсолютной герметичности дымохода.
    Только из качественных материалов
    Закупка материалов – только у проверенных поставщиков, жёсткий входной контроль качества нержавеющей стали, изоляции и других материалов.
    Дымоходы изготавливаются из высоколегированных аустенитных сталей, которые специально разработана для эксплуатации в агрессивной среде. Такие стали применяются в т.ч. в аэрокосмической отрасли.
    В двухслойных дымоходах используется датская изоляция Rockwool WiredMat категории «пожарная», толщиной от 50 мм, выдерживает температуру до 1000 С.
    С гарантией в 50 лет!
    Гарантийный срок на дымоходы Вулкан – 50 лет.
    Документальное подтверждение высокого уровня надежности
    Полный комплект необходимых сертификатов, подтверждающих высокий уровень производства, пожарную безопасность и соответствие изделий ТУ.
    Дымоходы «Вулкан» разрешены к применению в многоэтажных зданиях.
    Среди постоянных покупателей «Вулкана» автозаводы Nissan и Toyota, федеральная сеть гипермаркетов «ОКей», другие известные предприятия и десятки тысяч владельцев частных загородных домов.

    Инструкции, чертежи, документы - Кронштейн опоры V50R OKvXX 500х500 с изоляцией Вулкан (AISI 321 0.5мм + AISI 304 0.5мм)

    Видео о Кронштейн опоры V50R OKvXX 500х500 с изоляцией Вулкан (AISI 321 0.5мм + AISI 304 0.5мм)

    Свернуть


    Характеристики

    Основные характеристики

    • Производитель Вулкан
    • Диаметр внутренней трубы, мм 100, 104, 110, 115, 120, 130, 150, 160, 180, 200, 250
    • Материал внутренней трубы AISI 321
    • Материал внешней трубы AISI 304
    • Толщина внутренней трубы, мм 0.5
    • Толщина внешней трубы, мм 0.5
    • Тип элемента Кронштейн
    • Срок гарантии, лет 50
    • Производитель Вулкан
    • Диаметр внутренней трубы, мм 100, 104, 110, 115, 120, 130, 150, 160, 180, 200, 250
    • Материал внутренней трубы AISI 321
    • Материал внешней трубы AISI 304
    • Толщина внутренней трубы, мм 0.5
    • Толщина внешней трубы, мм 0.5
    • Тип элемента Кронштейн
    • Срок гарантии, лет 50

    Все характеристики

    Полезная информация
    Статьи
    Схемы сборки дымохода «по конденсату» и «по дыму». Устройство дымохода

    От качества сборки дымохода во многом зависит эксплуатация и долговечность всей отопительной системы. Крайне важно при этом правильно выбрать схему монтажа.

    Выбираем правильный дымоход

    Чтобы система отопления функционировала эффективно и безопасно, дымоход должен быть правильно сконструирован. Кроме того, нужно ответственно подойти к выбору материала, из которого он будет изготовлен.

    Справочный центр
    В справочном центре вы найдете ответы на самые частые вопросы. Как выбрать. Как купить. Как доставить. Как установить.
    Состояние дымохода и противопожарная безопасность

    Дымоход как наиболее активная часть отопительной системы, интенсивно подвергается воздействию высоких температур. Труба часто становится источником пожаров. Каковы причины пожаров и как их избежать? Мы ответим.

    Монтаж дымоходов Вулкан + Видео

    Только грамотный монтаж обеспечит гарантированный срок службы вашего дымохода, а также безопасность вашего дома.

    Выбор стали для дымохода. Как не прогореть?

    Разбираемся в разновидностях стали и выбираем лучшую!

    Еще статьи

    Магазины
    Где купить
    Печь.ру в Нижнем Новгороде

    • Узнать как выбрать и пользоваться. Сравнить плюсы и минусы.
    • Оформить заказ. Подобрать камин или печь с дымоходом. Узнать как безопасно смонтировать изоляцию стен и перекрытий.
    • Получить заказ. Отгрузка из магазина или доставка до дома.

    Пункт самовывоза ТК "Деловые Линии"
    Адрес:
    г. Нижний Новгород, Московское ш., 52
    Время работы:
    пн.- пт.: 08:00 – 20:00
    сб.: 09:00 – 17:00
    вс.: 11:00 - 16:00
    Пункт самовывоза ТК "Деловые Линии"
    Адрес:
    г. Нижний Новгород, ул. Геологов, 2Е
    Время работы:
    пн.- пт.: 09:00 – 18:00
    сб. - вс.: выходной
    Почему мы?

    Почему мы?

    значок
    Выезд инженера на замер
    Инженер оценит место под расположение печи и снимет размеры. Подготовит техническое решение. Запишет технические детали. Стоимость замера вернется при оплате монтажа.
    значок
    Безопасный монтаж
    Специализированные монтажные бригады в Нижнем Новгороде гарантируют быстрый, квалифицированный и безопасный монтаж.
    значок
    Бережная доставка
    Бережная и быстрая доставка до терминала транспортной компании в Нижнем Новгороде или до дверей. Каждое отправление застраховано.
    значок
    Бесплатный расчет
    Бесплатно проконсультируем онлайн и по телефону. Рассчитаем смету. Выезд на замер в течение 1-2 дней.
    значок
    Даем лучшую цену на товар
    Просчитаем проект с максимальной скидкой. Персональное предложение при звонке.
    значок
    100% гарантия
    Официальная гарантия от производителя на проданный товар. Не работаем по серым каналам и с нечестными поставщиками.
    значок
    Товар в наличии
    5000 складских позиций в наличии. Площадь собственных складов 2000 м2.
    значок
    410 моделей на выставке
    Покажем онлайн по видеосвязи. В т.ч. образцы с живым огнем. Вам включать камеру не придется.
    значок
    Всегда на связи
    7 дней в неделю готовы помочь и ответить на вопросы. Не пропадаем. Работаем с 2000 года.
    Отзывы
    На данный момент нет ни одного отзыва

    Напишите свое мнение, если у вас был опыт использования данного товара.

    Оценить:
    Оставить отзыв
    Отзыв о товаре
    Оцените товар
    Поделитесь впечатлением о товаре
    Изображения
    Загрузите файлы в формате Png или Jpeg
    Видео
    Вы можете загрузить видео в формате mp4 и не более 100Мб
    Добавьте ссылку на видео
    Информация о покупателе
    Обратный звонок

    Сравнить.